Coolant

Water soluble Oil-based

Category

Magnetic material

Processing Details

Grinding

Work Material

FC/FCD Steel

Chip Shape

Sandy Cottony Granular Needle-shaped

Grinding Chip Size

Ultrafine particles (5 µm to 10 µm) Fine particles (10 µm to 100 µm) Coarse particles (0.1 mm to 0.5 mm)

Machine Tool

Grinding machine Tool grinding machine Saving machine Honing machine Super finishing machine Thread rolling machine Induction hardening machine Washing machine

Product Introduction Video

Mechanism

Mechanism Diagram 1
  1. When the dirty liquid that flowed into this machine passes through the filtration section (magnetic drum), the sludge in the liquid is adsorbed by the magnetic force of the magnet, and filtered.
  2. After filtration, the clean liquid is discharged to the outside of the main body.
  3. The adsorbed sludge is—as a result of the rotation of the magnetic drum—dehydrated by the squeeze roll.
  4. The dehydrated sludge is scraped off by the scraping board that contacts the magnetic drum, and discharged to the outside of the main body.
Mechanism Diagram 2

Comparison of 4 Type

Comparison Table of 4 Types

Comparison

Comparison with old models

Comparison with Old Models Table

Comparison of water content ratio of removed sludge

Comparison with Old Models Table

Specifications

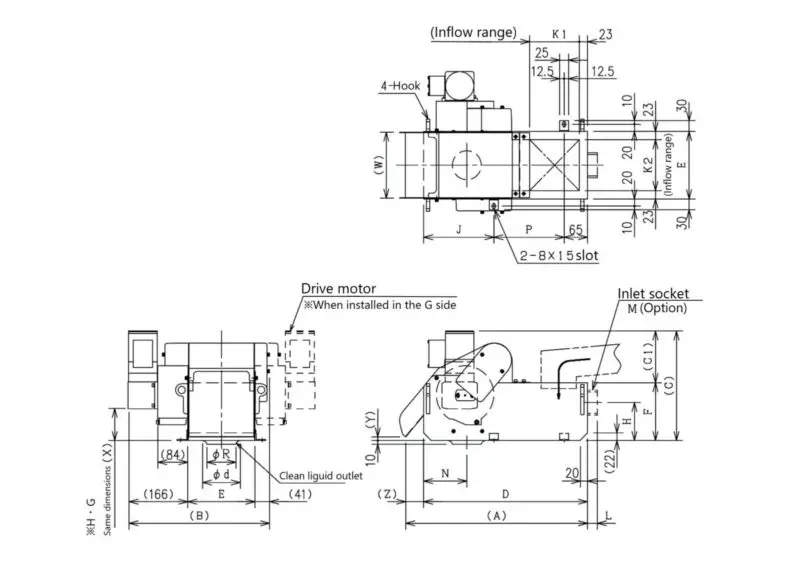
Dimensional Drawing

Comparison with Old Models Table

Dimensional Table

Comparison with Old Models Table

Filtration accuracy

* The filtration accuracy is based on the results of our experiments, and does not imply that this level of accuracy is guaranteed.

Sludge distribution status

PXK

PXK Sludge Distribution

PXH

PXH Sludge Distribution

PXN

PXN Sludge Distribution

PXP

PXP Sludge Distribution

Machine tool: Inner diameter grinding machine Coolant: Water soluble Processing flow rate: 60 L/min
Chip material: Steel

Processing Flow Rate

Water soluble

* We also provide medium and large size models (large flow rate). Please contact us for details.

Product weight

* For details, please check the product dimensions.
* The product weight varies depending on the specifications, options, etc.

Paint color

* For information about the specified color, please consult us.

Drive/geared motor

25W

* The medium and large size models have different specifications.

Option

* Please contact us for details

Model code

Comparison with Old Models Table

Product Photo (Example)

Standard without inlet socket, Bottom discharge

PXK Sludge Distribution

PXK-6bHT-NU

PXH Sludge Distribution

PXK-6bHT-NU

PXN Sludge Distribution

PXK-6bHT-NU

PXP Sludge Distribution

PXK-6bHT-NU

Option with inlet socket, Side discharge

PXK Sludge Distribution

PXP-6bHT-MYGHM

PXH Sludge Distribution

PXP-6bHT-MYGHM

With tank, pump, and liquid level gauge

PXH Sludge Distribution

PXH-6aH-NU with tank, pump, and liquid level gauge

Chip discharge image

PXH Sludge Distribution

* Photos are product images for illustration purposes only. Specifications differ from the actual product.


* The filtration accuracy is based on the results of our experiments, and does not imply that this level of accuracy is guaranteed.
* The specifications and dimensions are subject to change without notice.
* When the oil viscosity exceeds 30 mm2/s, please consult us.
* For information about custom products other than standard products, please consult us.