Phoenix NEO

Magnetic Screw Conveyor SCC/SC/VS

Screw t ype conveyor using magnet.
The rotating part is not exposed, so this can be used safely and se curely.
Optimum for cutting chip processing of gear cut ting machines, broach machines, etc.

Features

Coolant

Water soluble Oil-based

Category

Magnetic material

Processing Details

Cutting

Work Material

FC/FCD Steel

Chip Shape

Granular Small curl-shaped (50 mm or less)

Grinding Chip Size

Machine Tool

Machining center Broaching machine Gear cutting machine

Product Introduction Video

Features of 3 Type

SCC

SC

VS

PXK Sludge Distribution

Mechanism

SCC

PXK Sludge Distribution
PXK Sludge Distribution

SC

PXK Sludge Distribution
PXK Sludge Distribution
  1. The dirty liquid flows onto the conveyor.
  2. Chips are absorbed and captured by the magnet inside the fixed pipe.
  3. By rotating the magnet shaft inside, chips are discharged while moving on the surface of the pipe.

VS

PXK Sludge Distribution
PXK Sludge Distribution
  1. The dirty liquid flows onto the conveyor.
  2. Chips are absorbed and captured by the magnet inside the fixed pipe.
  3. By rotating the magnet shaft inside, chips are transported to the top of the main body while moving on the surface of the pipe.At that time, the winding assists transportation.
  4. Chips fall from the pipe onto the magnetic drum (for transfer) near the outlet, and are discharged.
PXK Sludge Distribution
PXH Sludge Distribution

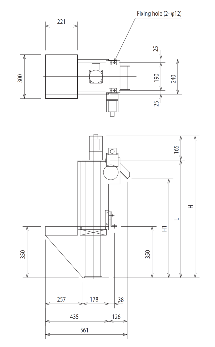
Specifications

SCC・SC

Dimensional drawing

PXK Sludge Distribution

Dimension table

PXH Sludge Distribution

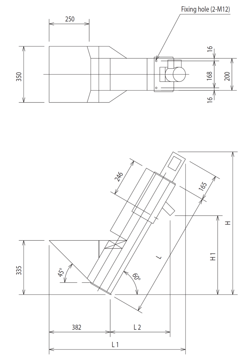
VS

Dimensional drawing

PXK Sludge Distribution

Dimension table

PXH Sludge Distribution

Filtration accuracy

* The filtration accuracy is based on the results of our experiments, and does not imply that this level of accuracy is guaranteed.

Sludge distribution status

SCC
Machine tool: Machining center
Coolant: Water soluble
Processing flow rate: 50 L/min
Chip material: S45C

PXH Sludge Distribution

VS
Machine tool: Machining center
Coolant: Water soluble
Processing flow rate: 120 L/min
Chip material: Steel

PXH Sludge Distribution

Processing flow rate

Water soluble

Product weight

Without oil cooler

* The product weight varies depending on the specifications, options, etc.

Paint color

Medium metallic (Approximate color: Munsell No. N-6.7)

* For information about the specified color, please consult us.

Drive motor

Model code

SCC

Comparison with Old Models Table

SC

Comparison with Old Models Table

VS

Comparison with Old Models Table

Product Photo (Example)

SCC・SC

PXK Sludge Distribution
PXH Sludge Distribution
PXN Sludge Distribution

VS

PXK Sludge Distribution

Chip discharge image

PXK Sludge Distribution

SCC/SC chip discharge

PXH Sludge Distribution

SCC/SC workpiece conveyance

PXK Sludge Distribution

VS chip discharge

PXH Sludge Distribution

VS chip discharge

* Photos are product images for illustration purposes only. Specifications differ from the actual product.


* The filtration accuracy is based on the results of our experiments, and does not imply that this level of accuracy is guaranteed.
* The specifications and dimensions are subject to change without notice.
* For the oil-based specifications, please consult us.
* For information about custom products other than standard products, please consult us.